3 Phase/ Single Phase 400W Ac Servo Motor and Driver Used in Positioning and Speed Control
Features
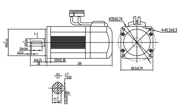
GH-06040DC is 400W servo motor,optimizing design, compact,beautiful contour,long-term continuous working in rated working mode and economic type,very wide of application to lots of industry .
The match servo driver, SD2004,GH-201,that matching for 400W servo motor.
Application
CNC Machinery,printing equipment, packaging equipment, textile equipment, laser processing equipment,robotics, automated production lines, such as processing precision, processing efficiency and reliability, and other requirements of the relatively high equipment.
| Motor Model | SZGH-06040DC |
| Rated Power(W) | 400 |
| Rated Voltage(V) | 220 |
| Rated Crrent(A) | 2.8 |
| Rated Speed(RPM) | 3000 |
| Rated Torque(NM) | 1.27 |
| Peak Torque(NM) | 3.9 |
| Voltage Constantv10r/min | 29.6 |
| Torque Coefficient(NM/A) | 0.45 |
| Rotor Inertia(Kg.m²) | 0.29*10 |
| Line-Line Resistance(Ω) | 2.35 |
| Line-Line Inductance(mH) | 14.5 |
| Machanical Time-Constant(Ms) | 6.17 |
| Encoder Resolution(PPR) | 2500 |
| Insulation Class | Class B |
| Safety Class | IP65 |
| The Operating of Evironmental Condition | Temperature:-20℃~+45℃ Humidity Below 90%RH(No drawing) |
| Weight(KG) | 1.6 |







FAQ
Q: Do you support customized manufacturing?
A: Yes,we can customized manufacturing according to customer's requirment. We support to OEM your own company display interface and logo.
Q: What’s your MOQ?
A: If we have the products in stock, it will be no MOQ. If we need to produce, we can discuss the MOQ according to customer’s exact situation.
Q: Which payment form you can accept?
A: T/T, Western Union, PayPal etc. We accept any convenient and swift payment term.
Q: Do you provide samples ? is it free or extra ?
A: Yes, we could offer the sample with sample price.






